HOTLINE
0898-08980898发布时间:2025-08-07 19:10:21 点击量:
是将计算机通信网络技术与数字技术,以简单精巧的形式融入到传统家电中,使家电具备智能化和信息网络功能。的产生和发展将对传统家电、计算机和通信业产生深远影响。目前智能家电的实现方案众多,采用专用集成电路是方案 。文中介绍的电话远程智能家电控制系统以标准程控交换信令作为系统控制命令,以公用电话交换网作为传输介质,用户可以在远端发送DTMF 双音多频信号,实现对家用电器等设备的远程控制。本系统抛弃了一些复杂的,兼容性差的芯片,取而代之的是得到广泛应用并且控制简单的DTMF 双音频解码芯片和
智能家电应具有很多功能,文中仅讨论远程控制系统的设计。图1 为系统功能框图,由单片机,DTMF 双音频解码模块、家电控制驱动接口、振铃检测与上线P离线开关等几个部分组成。系统检测到远程电话线传输过来的信号后,由双音频解码器对远程电话的 DTMF(Dual Tone Multi($198.7500)Frequency) 进行解码识别,并对相应的受控电器发出相应的动作指令。
DTMF 双音多频信号解码电路是目前在按键电话(固定电话、移动电话) 、程控交换机及无线通信设备中广泛应用的集成电路。双音多频信号是一组由高频信号与低频信号叠加而成的组合信号,我国国家标准规定了电话键盘按键与双音多频信号的对应关系。本系统采用HT9170作为DTMF 信号的解码核心器件,如图2 所示。
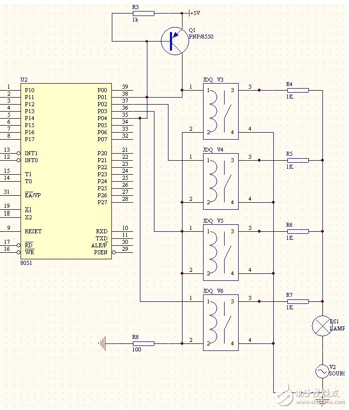
电话被呼叫时,交换机发来振铃信号。振铃为连续的正弦波,电压有效值50V 12 V ,振铃周期约为5 秒。为避免用户呼叫系统时产生的高压振铃信号对DTMF 信号解码电路产生危害,在系统待机及振铃时,DTMF 信号解码电路应处于离线状态(与用户电话线断开) 。只有在系统检测到振铃并自动摘机后,DTMF 信号解码电路才处于上线状态(与用户电话线接通) 。根据振铃信号电压的特点,可以先使用二极管和滤波电路对振铃进行整流滤波,所得信号经稳压二极管稳压至5V 后加在开关三极管的基极,使对应有振铃信号的时间内输出高电平,如图3 所示。再将此信号输出至单片机的中断计数器输入口,当计数至7 次后(一般电线 次) 由单片机控制接通继电器完成自动摘机,并闭合系统上线P离线开关电路,开启DTMF 信号解码电路与电话用户线的连接。
家电远程控制系统通过对继电器的闭合实现对受控电器的控制。因此,在单片机与受控电器之间必须设置一个驱动接口电路。本系统采用美国 TexasInstruments 和Sprague 公司开发的ULN2003A($0.1500)芯片,来关闭与开启继电器开关,如图4 所示。
本文提出了通过远程电话实现智能家电控制系统的一种实现方案。介绍了家电和电话之间的控制接口电路, 讨论了系统结构及硬件设计。利用本系统可以实现固定电话对空调器、电灯、电饭锅等家用电器设备的远程控制。另外,本系统也可应用于工农业中,实现对无人值守岗位的远程控制。系统抛弃了一些复杂的,兼容性差的芯片,取而代之的是得到广泛应用并且控制简单的DTMF 双音频解码芯片和单片机,识别率高,并且技术成熟,使得系统可以在复杂环境下稳定工作。此外,可以通过进一步的高级菜单设计与驱动电路设计来完善控制单元,增加控制家电的运作时间、风速等级等复杂操作,使远程家电控制方式更加智能化。
智能家电技术资料集锦让家电设计迈入崭新时代!
智能家电是利用综合布线技术、网络通信技术、安全防范技术、自动控制技术、音视频技术将家居生活有关的设施集成,构建高效的家庭日程事务的管理系统,提升安全性、便利性、舒适性、艺术性,并实现环保节能环境。最常实现的应用是灯光、热水器、空调、入侵监测、烟雾报警、视频监控和窗帘的智能控制。
WiFi 技术在智能家居中的应用的主要优点有:WiFi 智能节点可以直接连接无线路由器,从而接入Internet($68.6000)网;不需要家庭网关,节点可以任意扩充;不会破坏现有装修;智能手机可以进行局域网控制和远程控制。当然,WiFi 技术相比ZigBee 和433 MHz 射频通信技术也有其缺点:功耗偏大、价格偏高。但随着节能技术的引进和芯片工艺的改进,功耗问题和价格问题已逐步得到解决。鉴于WiFi 模块是笔记本、平板电脑和智能手机的标准配置,基于WiFi 技术的智能家居会逐步得到推广和应用,市场前景广阔。
电路原理:模块收到合上指令,PC8端口输出高电平,Q1导通,继电器的线圈有电流流过,继电器的触点L_IN 和触点L_OUT 吸合,插座供电给负载;模块收到断开指令,PC8端口输出低电平,Q1截止,继电器的线圈没有电流,继电器的触点L_IN 和触点L_OUT 断开,插座断电。以上只是以WiFi 插座为例,叙述基于WiFi 技术的智能家居,如果要实现智能家电中的其他功能,实现原理类似。例如,要实现远程视频监控,只需将插座改为摄像头并实现相应的软件功能即可。
电路原理:当谈到控制风扇时,使用热敏电阻替代热电偶的做法已变得更流行。使用热敏电阻来控制温度已不是什么新鲜事,该器件就被用来测量PCB散热器温度的升降情况。本文将探讨其在风扇控制中的工作情况和性能,以减少噪声,并提高效率。在基于热敏电阻的风扇控制中,如果环境温度上升到高于室温状态,测温电桥将检测到温度的上升,并开启风扇。这一工作是全自动的,当环境温度回到室温时,风扇将会关闭。负温度系数(NTC)热敏电阻能够非常有效地检测出环境温度的上升。因为是负温度系数,当环境温度上升时,热敏电阻的阻值将降低。本例中的测温电桥在控制风扇工作的过程中,利用的就是热敏电阻的这一独特特征。
电路中的风扇通过对电路进行适当冷却,可增强能效,降低风扇所产生的噪声效应。电气噪声通常是由于风扇未能在全功率条件下工作而产生的。
图2给出了用于风扇控制的典型测温电桥电路。电阻R2(50W、300)由下式确定,它将影响输入信号。
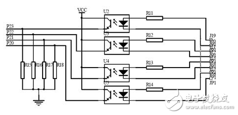
在本系统设计中,单片机发出的信号如何被红外发射管识别,发射管能否正常发射红外信号是发射电路要解决的关键问题。要发射红外信号,必须要有红外发射器件。红外发光二极管是一种能产生红外光的发光二极管,目前大量使用的红外发光二极管发出的红外线nm 左右,外形与普通发光二极管相同,只是颜色不同。常见的红外发射二极管有黑色,透明色,它与普通发光二极管的最大区别在于所发出的光为不可见光,而普通发光二极管发出的是各种颜色的可见光,通常,红外发光二极管分为两种结构形式:一种是遥控发射型红外发光二极管(即最常用的手持遥控器所用的红外发射二极管);一种是近距离发射型红外发光二极管,这种二极管把红外光的发射与接收共集为一体。由于本设计实现的是家居遥控,因此采用第一种即可。
如图4所示为系统遥控发射原理图,P1.0 口为按键输入口;P2.0 口为红外发射端口,用于输出38kHz 载波编码,脉冲经9013(NPN)放大然后由红外发射管输出;第9 脚为单片机的复位脚,采用RC 手动复位电路;18、19 脚接晶振。
一般的红外接收头主要由集成电路外加阻容元件,红外线接收管及滤波光片等组成,电路设计相对繁琐,在实际应用中不方便。而红外遥控接收头SM0038 集红外接收管,前置放大解调等于一体,无外部电路,体积小,密封性好,灵敏度高,应用简单,用小功率红外发射管发射信号接收距离达35 米,并且价格低廉。它仅有三条管脚,分别是电源正极、电源负极以及信号输出端,其工作电压在5V 左右,接收频率为38kHz,它的主要功能包括放大,选频,解调几大部分,要求输入信号需是已经被调制的信号。从而使电路达到最简化,灵敏度和抗干扰性都非常好,是一个接收红外信号的理想装置。如图5 所示:
接收电路和调光电路的实现均是通过继电器实现的,给每一个继电器串联一个电阻,构成一个回路,本电路将四个继电器回路并联,连接在P0 口上,当四个继电器均闭合时,灯最亮,当三个继电器工作时,灯较亮,当两个继电器工作时灯次亮,当一个继电器工作时,灯最暗,当四个继电器都不工作时,灯泡处于关闭状态。接收电路图如图所示:
本论文最大的难点是如何实现红外信号的发射与接收,为了减少电路的繁琐,我使用单片机来实现软件编码解码,大大提高了电路的灵活性,降低了成本,仅仅使用一个键就能实现对一个灯具的开关和亮度调节,若是把一个按键开关改设成一个矩阵键盘,就可以实现对整个家里的灯具的开关和亮度控制,实用性很强。
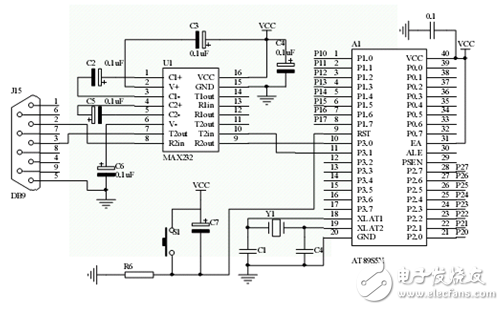
家电控制板采用串口与XSBase270实验箱进行通信,其采用了经典的兼容RS-232标准的MAX232($2.0686)芯片作为串口的电平转换芯片。电路的连接如图2-4所示:
其中2脚RxD为接收引脚,3脚TxD为发送引脚,GND为信号地引脚。一般情况下普通串口只接这几个引脚;特殊的串口,如蓝牙串口除接上述的三个脚之外,还接了DSR引脚和CTS引脚,是因为蓝牙串口的数据流输出采用这两个脚的信号控制;而其他引脚是跟MODEM相关的。在智能家居系统中,家电控制板接普通串口,GSM模块接蓝牙串口。
RS-232信号相对于信号地而言,在正负电平之间摆动。发送数据时,发送端输出的正电平在+5V 到+15V之间,负电平在-5V和-15V之间。无数据传输时,线上为TTL电平。接收器典型的工作电平在+3V~+12V与-3V~-12V。由于发送电平和接收电平的差仅为2~3V左右,所以其共模抑制能力差,加上双绞线的分布电容,信号传输距离最大为15m,最高速率为20kb/s。
家用电器控制的接口电路如图2-7 所示,K1~K4 为继电器,分别控制四路家电的闭合和断开,Q1~Q4 为继电器线圈电流驱动,电路由单片机的P1口进行控制,DD1~DD4 发光二极管用于显示某路控制电路的工作情况,主要为了调试电路而设置。
烟雾、煤气泄漏、红外等这些传感器的报警信号通过光电耦合接入单片机的P2 口,如图2-8 所示,在传感器没有报警信号时,光电耦合芯片处于截止状态,与之相接的单片机端口为低电平;当传感器有报警,传感器输出高电平,此时光电耦合芯片导通,与之相接的单片机端口为高电平,由单片机对报警信号进行采集并做出相应处理。
本文提出了基于嵌入式系统ARM10的智能控制平台的设计,功能包括了短信控制家电,传感器探测非正常环境并且通过手机短信告知业主,以及以太网实时视频监控等功能。使用标准串口线连接家电控制板与PC机。使用“串口调试助手”软件进行对串口的读写操作。往家电控制板输入形如“%0001”的字符串,观察是否能启动对应的LED。同样的,按对应的“传感器”按钮,观察PC机是否能收到正确的字符串。经过测试,家电控制板能够正常运行。
通过中央管理平台,让家居生活舒适、安全、便利、节能、健康、环保。类似名称的还有数码家居、数字字园、网络家庭、家庭自动化、E-HOME等等。目前,智能家电可为用户提供家居安全报警、可视对讲、家电、照明调光、设备的室内外遥控、电话远程控制、Internet($68.6000)远程控制等多种功能。产品类型包括有线、无线或者有线和无线结合,无线方式具有无布线,移动,安装方便、应用场合广等优点逐渐成为应用主流。
①非隔离电源电路为MCU和无线模块提供工作电压,如图2所示,采用PI的LinkSwitch-TN,由于功率MOSFET和控制器集成在一个IC当中,设计过程可得到极大地简化。电路路中所用元件数目很少,无需变压器,即可以利用设计速成部分,使用标准元件完成常用输出电压和电流的设计。
②无线个I/O口即可工作,同时采用SPI兼容的控制接口作为数据通讯接口,我们测试板也正是使用这种方式与 PHY模块进行连接的。各个接口功能如下:SCK:SPI串口时钟输入;SDI:SPI串口数据输入;NSEL:SPI片选输入(低电平有效);SDO:SPI串口数据输出;NIRQ:中断请求输出(低电平有效);PHY模块用作数据。该模块具有体积小、功耗底等优点,非常适合用于无线 无线模块连接电路
③调光模块电路如图4所示,包括一个EMI滤波器、一个无源功率因数校正、镇流器控制和灯谐振输出级,输出级采PWM输出驱动信号,通过驱动变压器驱动半桥MOS管,实现灯光的控制。
本文介绍的智能化灯光控制方案,可以通用到任一智能家居设计方案中,方便的应用于各种智能家居系统上。
报警器能根据监控的对象进行设计,种类繁多,广泛地运用于各行各业及人们的日常生活。一般而言,报警器的电路可分为单点式和多点式。单点式报警器电路结构较为简单,只需把传感器监测到的信号进行放大,直接驱动声光报警器电路工作。多点式报警器电路常采用单片机技术开发的电话报警系统,当有外人侵入、煤气泄漏、火灾等险情时,能及时地报警,可靠性大大提高。与单点式相比,多点式运用的范围更多,比如说工农业生产、安全防灾、住灾区防盗等诸多领域。常见的电子报警器有电子防盗报警器、可燃性气体报警器、火灾报警器等。
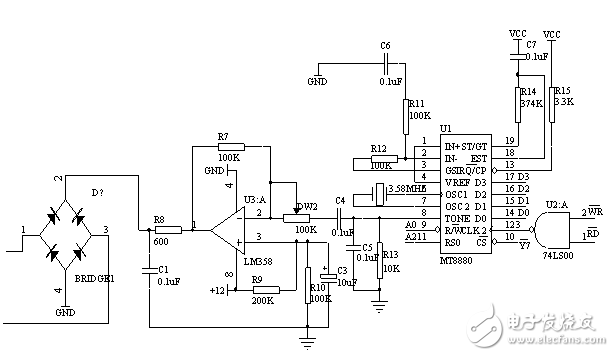
在图2-3电路中,键盘控制逻辑电路的行线中的一位数字,供程控交换机新服务性能使用,还有多余四个键备用。当按下一键时,就确定了是哪两种音调的组合,经过高、低两个音组的D/A转换,合成的正弦波经加法器相加后由MT5087的16端输出。MT5087键值与音频关系如表2-1 所示。
如图3-1,变压器T1将交流220V电压变成12V交流低压,再经桥堆整流、滤波后转换成不稳定的直流电压(16.968V),然后加在三端集成稳压器7805输入端,经稳压器后输出稳定的直流电压。同时,为减小电网电压波动对电路的影响,分别在三端集成稳压器7805输入端及输出端接上 470uF电解电容C20、0.01uF电容C22及100uF电解电容C19、0.01uFC21电容。其中,C19和C20主要起减小纹波的作用,同时C19还可改善负载的瞬态响应;C22可旁路高频干扰脉冲,C21起减小高频输出阻抗的作用。
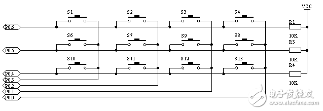
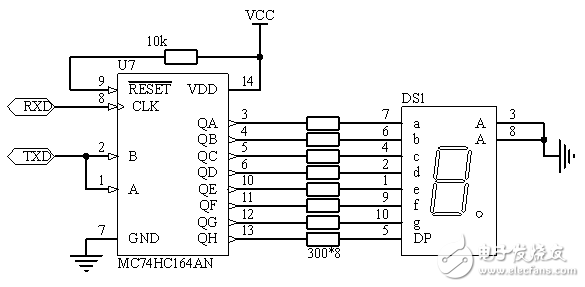
如图3-2,键盘电路采用3×4矩阵式接口方式,由STC89C52单片机P0.0-P0.6七个口控制。根据按键识别原理,行线K上拉电阻,处于高电平状态,可将列线置低,检查行线状态,若为高则无键按下,为低则有键按下;然后让列线逐列为低,再检查行线状态,判断出哪个键按下。显示电路通过单片机串行口RXD、TXD输出,采用串行输入芯片MC74HC164
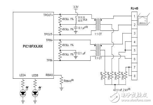
($3.5000),是一款以太网微控制器,具有出色的计算性能、丰富的功能集以及极具竞争力的价格,包括一系列串行通信外设,多至2个独立增强型USART 和2个主控SSP模块,能够进行SPI 和I2C模式操作,具有嵌入式以太网控制器模块。
本文的连接解决方案,完全实现介质访问控制和物理层收发器模块,只需使用两个脉冲变压器和一些无源器件即可将单片机直接与以太网相连。网络接口电路如图所示,TPIN+/TPIN- 和TPOUT+/TPOUT- 引脚与用于以太网操作的1:1 中心抽头脉冲变压器相连。当使能以太网模块时,两个TPOUT 引脚会有持续的电流流入;当收发器模块在发送数据时,通过改变TPOUT+ 和TPOUT-的相对电流大小,将在以太网电缆上产生一个差分电压,发送和接收接口均需要另外使用两个电阻和一个电容正确与传输线相连,最大限度地减少信号反射,增加通信信号的稳定。
该方案主要是以IAI442X系列芯片和PIC系列微控制器研发的智能家居控制方案,可以方便地推广应用到各种智能家电系统中。
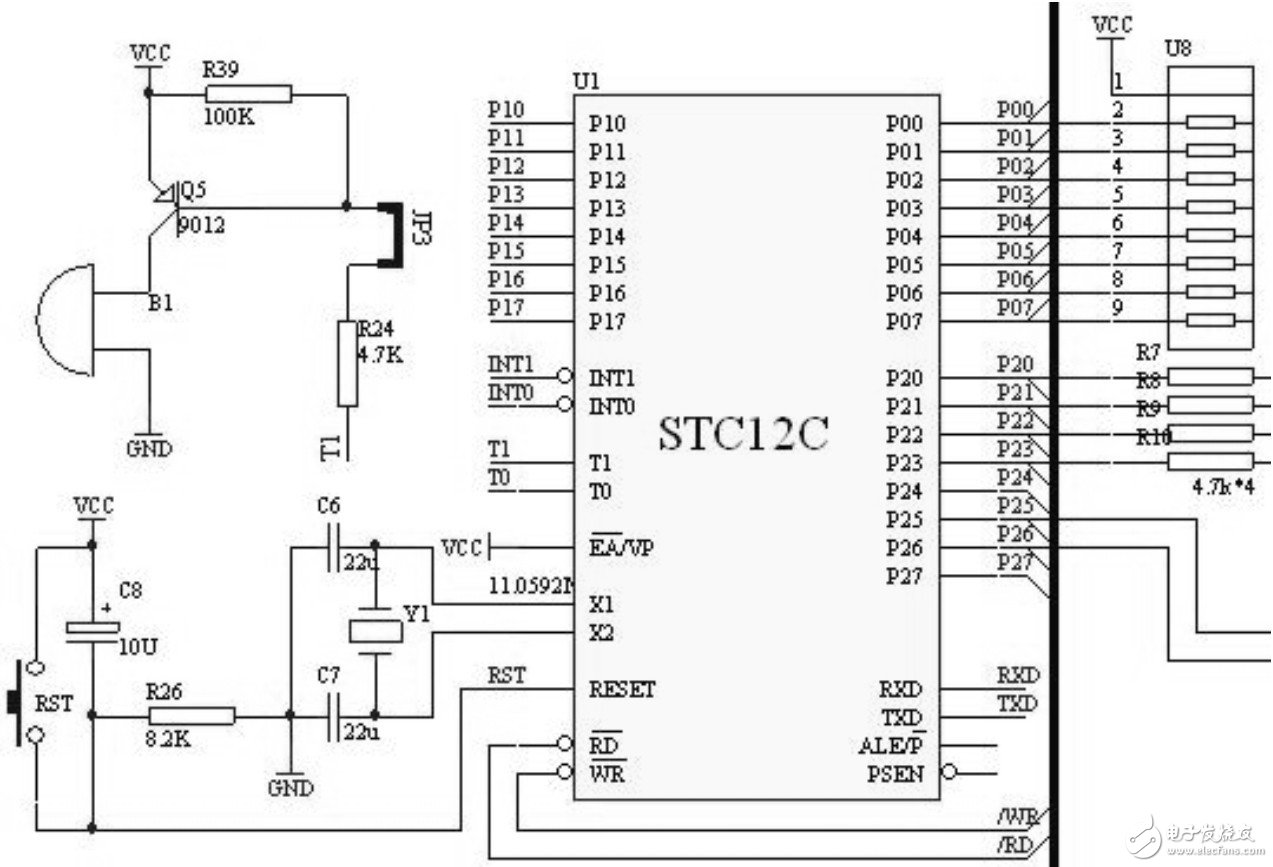
随着经济的发展,人们对防盗、防劫、防火安保设备的需求量日益增长,报警系统也从原来的简单化、局部化向智能化、集成化发展。本文设计防盗系统采用STC12C系列高速1T单片机作为整个系统的控制核心,负责对家居内的各个智能防盗模块进行控制管理,若出现异常物体或者人员侵入,在启动高强度声音报警的同时,还可控制本系统中的GPRS模块SIM300自动拨打设定的电话或者发短信,实现系统的智能远程报警。同时远程控制者还可以通过拨打电话或者短信方式实现对系统的远程控制,对受控区域的电源或者其他装置进行控制管理,从而保护个人的家居财产安全。
本设计中GPRS通信模块采用的是一款三频段GSM/GPRS模块SIM300,适合于开发一些GSM/GPRS的无线应用产品,如移动电话,无线 MODEM卡,无线POS机,无线抄表系统以及无线数据传输业务,应用范围十分广泛。SIM300模块具有一套标准的AT命令集,包括一般命令、呼叫控制命令、网络服务相关命令、电话本命令、短消息命令、GPRS命令等。本系统中与GPRS模块的通信是通过串口连接,通过处理相应的AT命令,来实现系统与模块的数据通信。
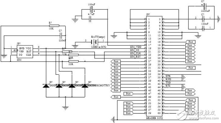
系统中,设计了SIM300模块的相应接口板电路,该电路板主要包含SIM300必要的外围电路,4.2V电压供给电路 , SIM卡座以及RS232($780.5000)
串口电平转换电路等。该模块的功能是通过天线接收手机发过来的信息,并且通过串口与系统主控CPU通信,判断是否有读短信的AT 命令,等单片机读短信成功,由系统主控CPU对信息进行分析后,做出相应的处理。同样,当防盗系统发出报警信号时,由主控CPU发出报警,控制 SIM300模块实现相应的信息发送。
设计采用增强型高速单片机STC12LE5A60S2为控制器、SIM300作为无线GPRS通信模块来实现系统的远程控制,各防盗模块与系统之间采用无线模块来通信。系统可通过拨打指定手机或发送短信等方式,实现对各个模块的状态进行远程监控,异常情况可远程操作该系统实施相应的控制命令。
($0.5999)是整个网络节点硬件系统的核心控制部件,负责接收传感器触发的开关量报警信号,发送nRF2401($1.8620)通信命令,控制信息的传输。单片射频收发芯片nRF2401($1.8620)是实现无线数据传输的关键器件。nRF2401($1.8620)工作于2.4~2.5GHzISM频段,芯片内置频率合成器、功率放大器、晶体振荡器和调制器等功能模块,输出功率和通信频道可通过程序配置,芯片功耗非常低,以-5dBm的功率发射时,工作电流只有10.5mA,接收时工作电流只有18mA,多种低功率工作模式,节能设计更方便。网络节点采用nRF2401($1.8620)进行数据传输,来实现报警信息的无线传输。网络节点通过连接的传感器感知外部环境异常变化。网络节点的电路原理图如网2 所示。在网络节点中电源是能源中心,在节点中起着非常重要的作用,特别是在无线通信系统中,电源不光是能源供应者,它也直接影响通信的质量。器件对加到输入引脚或输出引删的电压通常是有限制的。这些引脚由二极管或分离元件接到Vcc。如果接入的电压过高,电流将会通过二极管或分离元件流向电源。另外系统自身的发送频率也会经过电源感应反馈到通信系统造成干扰。凶而可在电源电路中加入220H的电感,与并入多个不同容值的电容所构成的滤波电路来抑制各种高频信号。使节点能够得到稳定可靠且低干扰的电源,保证节点的可靠运行。该电源电路如图3所示。
($3.7875)为控制核心,以电脑作为上位机,实现在电脑上自动控制8路家电的开关状态,单片机嵌入式系统亦可以通过按键控制家电的开关。硬件部分包括单片机最小系统,串口通信、液晶显示界面三大部分。最小系统部分单片机选用了AT89C51($3.7875)
($2.0686)芯片,进行电平转换。液晶选用128X64点阵的液晶模块。本系统显示直观,控制方便。稳压直流电源设计
市电经220V~9V变压器变压,然后经桥式整流电路,再经电容滤波电路,经7805稳压管稳压,再进行二次滤波,输出较稳定的5V电压,给本系统供电。
当我们按下某个键时,对应的功能便会通过键盘分析程序得以执行,如果在操作者释放之前,对应的功能多次执行,如同操作者在连续不断的操作该键一样,这种现象就称为连击。连击先可用图4-2-3所示流程图的软件方法来解决:当某个键按下时,首先进行软件去抖处理,确认键被按下后,便执行与该键相对应的功能,执行完后不是立即返回,而是等待键释放之后再返回,使每一次按键只被响应一次,从而达到避免连击的目的。
如果把连击现象加以利用,有时会给操作者带来便利。例如在某些仪器中。因设计的按键很少,没有安排0~9数字键,只设置了一个调整键,这时需要采用加 1(或者减1)的方法来调整有关参数,但当调整量较大时就需要多次按键,使操作者很不方便。如果允许存在连击现象,我们只要按住键不放,参数就会不停的加 1(或者减1),会让操作比较方便、快捷。具体实现流程图如图4-2-3所示,其中加入的延时环节是为了控制连击的速度。
现在,在市场上所使用的液晶都是液晶模块,也就是说,现在的液晶模块都是将液晶以及相应的驱动芯片,寄存器,驱动电源电路等一系列的辅助电路都集成在了一起,从二使用户能够更加的方便是液晶,即所谓的大众化。12864采用的是点阵式液晶,分为128X64个点,即有1204个字节,也就是说每一个 ROM内存单元对应一个点阵。如何对其驱动是对12864的主要难点,对于其驱动大致可以分为:初始化,设置起始位显示,输送数据几大块。初始化主要的就是按照芯片手册来,因为那些命令语句的内存单元都是定的,不能够根据用户的喜好来自己定义。设置起始位数据显示位置,主要是要搞清楚ROM的对应地址。 12864分为左半屏面和右半屏面。其中左边占64列,右边占64列。共128列。行分为64行。又将其分为8页,每一页占8行。列的起始地址为40H,行的起始地址为B8H。
随着集成电路和计算机技术的迅速发展,使智能家电的整体水平发生巨大变化,传统的家电控制方式逐步的被智能化所取代。智能家电的核心部件是单片机,因其极高的性价比得到广泛的应用与发展,从而加快了智能家居的发展。
电路原理:该装置工作原理见图,电容器C1将220V交流市电降压限流后,由二极管VD1、 VD2整流,电容器C2担任滤波,得到12V左右的直流电压。当电网电压正常时,稳压二极管VDW不能被击穿导通,此时三极管VT处于截止状态,双向可控硅VS受到电压触发面导通,插在插座XS中的家电通电工作。
如果电网电压突然升高,超过250V,此时在RP中点的电压就导致VDW击穿导通,VDW导通后,又使得三极管VT导通,VT导通后,其集电极发射极的压降很小,不足以触发VS,又导致VS截止,因此插座XS中的家电断电停止工作,因而起到了保护的目的。一旦电网电压下降,VT又截止,VT的集电极电位升高,又触发VS导通,家电得电继续工作。
能源监视器设计作为一套完善工具,用于测量和显示智慧建筑内各负载(如主要家电)的能耗。借助这一工具,工程师可快速评估 TI 为低成本电能计量应用提供的解决方案。该参考设计配备硬件和软件设计文件,可加快工程师的开发进程。能源监视器设计还可进行扩展与 TI 的 ZigBee 和 Wifi 参考设计结合,将无线通信功能添加到终端产品中。
通过板载显示屏来显示输入交流电压、电流、频率、有功功率、无功功率、视在功率、功率因素和能耗 (kWh),支持 110V-240V 输入电压范围,用于调节 LCD 显示屏和时间设置的简单按钮,提供 TI 通信模块接口,适合于 ZigBee (CC2538EM-RD)、Wifi (CC3000EM-RD) 和面向无线 M-Bus 的低于 1GHz 射频。
----------------------------------------
